深圳市凯士士科技有限公司 SZ-KSS -深圳凯士士 专业.品质.服务 - WWW.TWKSS.COM 0755-82530856
选择语言 Language
简体中文
繁体中文
English
America
Deutsch
日本語
한국의
Español
Português
Français
русский язык
Italiano
العربية
ภาษาไทย
Turecki
Polski
搜索
0301
扎线带
CV-100
4060
端子
微信
官方微信:最新资讯
最新活动,信息触手可得
移动
移动官网
商城
企业店铺
问题反馈
深圳市凯士士科技有限公司 SZ-KSS -深圳凯士士 专业.品质.服务 - WWW.TWKSS.COM 0755-82530856
网站首页
产品目录
配线槽系列
配线标志系列
扎线带系列
结束带系列
固定座系列
固定头,浪管
保护部品系列
接线头系列
套管系列
固定夹系列
PC板部品
扣具系列
超值包装
热收缩套管
压着端子
压着端子工具
RJ45接头套管
U型接续子
汽车扎带
新品推荐
产品搜寻
新闻动态
公司新闻
行业动态
媒体中心
企业证书
电子目录下载
视频介绍
规格书PDF
关于我们
公司介绍
企业荣誉
技术支持
解决方案
光伏行业
风能行业
电子行业
军工行业
轨道交通
加入我们
联系我们
产品留言
产品目录
>
扣具系列
>
1302 KSS 晶体管盖
基本信息
产品规格
图片介绍
相关产品
产品咨询
1302 KSS 晶体管盖
1302 KSS 晶体管盖
1302 KSS 晶体管盖
材质:
UL合格之 NYLON 66(白色),防火等级
94V-0
。
用途:
保护晶体管,使其接脚不会发生短路或折断。
1302 KSS 晶体管盖
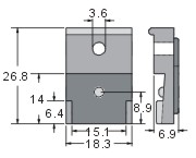
产品规格
TH-2V0
TH-3V0
单位:mm
型 号
Item No.
尺寸
Dimension
包 装
Packing
TH-2V0
如图
100 pcs / 包
TH-3V0
如图
图片介绍
相关产品
1201马鞍型夹线套(钩式)
1201 KSS 马鞍型夹线套(钩式)
1201插鞘式扣线套PWS
1201 KSS 插鞘式扣线套
1201插鞘式扣线套PWS-2824
1201 KSS 插鞘式扣线套
1201插鞘式扣线套
1201 KSS 插鞘式扣线套
1201 KSS 插鞘式扣线套
1201 KSS 插鞘式扣线套
1202 KSS 马鞍型夹线套
1202 KSS 马鞍型夹线套
更多
产品咨询
欢迎您在这里给我们留言!我们将在收到您的留言后,尽快与您联系并提供合适的解决方案!*号为必填写项!(包括公司 手机 邮箱)
产品
*
公司
姓名
*
手机
电话
地址
QQ
微信号
*
邮箱
内容
验证码
返回扣具系列 >
技术
支持
市场L
技术C
技术H
技术Z
技术W
国外Z
联系
我们
在线
留言
打印
本页
官方
微信
官方微信
收藏
本页
返回
顶部
返回网站